OHR-X33系列智能配電器
OHR-X33系列導軌式智能配電器給二、三線制變送器提供隔離的電源電壓,將變送器產生的直流電壓電流信號,經本隔離器轉換成所需的輸出信號至控制系統。寬電源設計:20-260V交直流供電。配置高清顯示單元,通過輕觸按鍵設置每個通道的參數及每個通道之間的切換。













1、OHR-X33系列智能配電器使用說明書(鼠標右鍵另存下載)
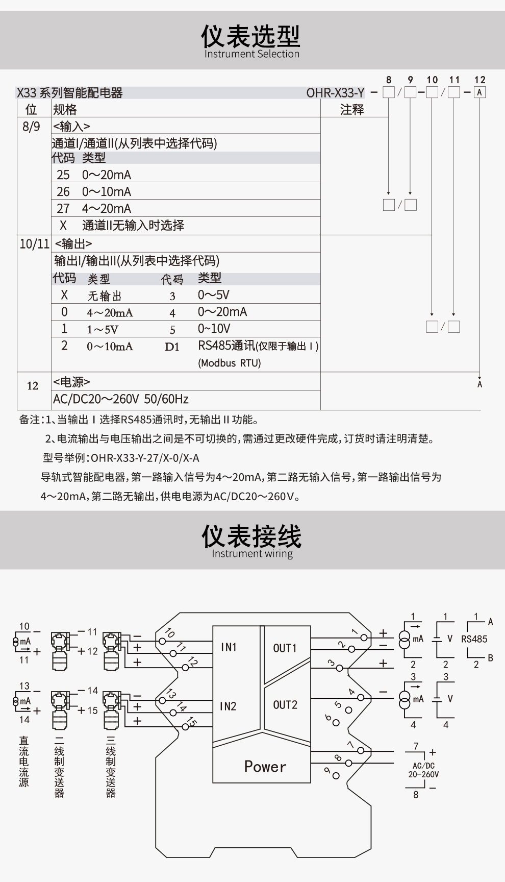
2、OHR-X33系列智能配電器選型手冊(鼠標右鍵另存下載)

1、隔離器與安全柵的區別是什么?
答:隔離器與安全柵最明顯的區別在于:隔離器用在普通場合,而安全柵用在防爆的場合,安全柵包括輸入端與輸出端,輸入端是危險區到安全區,輸出端是安全區到危險區。
2、隔離器與隔離柵有什么區別,在什么情況下用隔離器在什么情況下用隔離柵?
答:隔離器主要作用是隔離現場一次設備中的干擾信號,可以防止信號擾動、不準等問題;隔離式安全柵作用是隔離危險區和安全區之間的危險電壓達到防爆目的。一般常規場合都可使用隔離器;隔離式安全柵用在有危險防爆場合的現場。